時間:2020-12-29 15:02:37 作者:無名 瀏覽量:48
音箱分頻器設計軟件一個專業的揚聲器分頻器設計軟件,稱為LEAP。揚聲器分頻器設計軟件由應用程序軟件EnclosureShop(揚聲器箱模擬設計)和CrossoverShop(分頻器模擬設計)組成。揚聲器)。揚聲器分頻器設計軟件包括隨頻率,溫度和非線性影響而變化的實際聲學網絡。


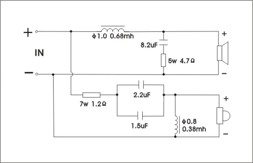
音箱分頻器介紹圖一
音箱分頻器軟件簡介:
LEAP設計軟件由EnclosureShop(揚聲器仿真設計)和CrossoverShop(交叉揚聲器仿真設計)應用軟件組成。 EnclosureShop提供揚聲器單元和揚聲器設計,而CrossoverShop提供用于設計濾波器設計技術的工具。通過兩者的合作,這兩個程序希望組成一個完整的設計和分析軟件。 EnclosureShop的更多特殊功能包括衍射分析,殼體結構的隨機分析,新的60參數逆變器模塊,非線性聲學模擬器等。 CrossoverShop的特殊功能包括有源和無源模擬設計和分析,FIR和IIR數字濾波器設計和分析,模擬和數字組合設計,全局優化引擎等。

音箱分頻器介紹圖二
軟件功能:
1.兼容WINDOWS9X操作平臺。
2.界面簡單方便。盡管其功能相對獨特,但它是一個簡單易用的分頻計算程序,可以滿足DIY初學者的計算要求,并提供分頻組件參數的計算結果。
3.它也是免費的家庭軟件。
揚聲器分頻器設計軟件特色:
設計1:兩分頻無源揚聲器分頻器設計
設計2:三分頻無源揚聲器分頻器設計
設計3:分路器設計有源兩路揚聲器頻率

音箱分頻器介紹圖三
使用方法:
軟件已經優化了分頻器計算公式中的常數參數,您只需輸入揚聲器阻抗值和分頻點頻率即可得到結果。阻抗值不應為0。交叉點值應在20Hz和——20KHz之間。建議在計算的交叉點使用阻抗值作為揚聲器的實際交流阻抗值,以確保較小的計算誤差。該軟件計算的結果是數值的線性范圍,對于每種揚聲器系統的差異,揚聲器制造商應根據實際情況進行校正。
用該軟件計算出的結果無法保存或打印,也無法顯示以前的記錄。
分頻器設計特殊計算器(揚聲器分頻器計算工具)是用于分頻器的特殊計算程序。該軟件可以快速,準確地計算出揚聲器系統(揚聲器)的分頻器值,從而可以計算出6dB/Oct的電容和電感值,分別為24dB/Oct的兩分頻和多聲道分頻。多通道分頻是兩分頻和多通道帶通分頻器的組合。例如,三分頻系統由低通(低音),帶通和高通(高音)組成。當軟件開始運行時,將其置于2 6dB/Oct頻分位置,首先計算低通值。選擇帶通后,首先計算高通值。計算結果直接在屏幕上列出。